GTJ2系列PCB引脚式交流固态继电器
一、 产品概述
产品构成的描述及结构特点(结构概要说明):
本产品由接线系统,电子控制系统,半导体开关器件与散热系统,绝缘系统四部分组成。
1) 接线系统,由直流控制电压输入引脚,工频交流电压的电压输出引脚构成。
2) 电子控制系统。由输入(恒流)控制电路,光电耦合与电隔离电路构成。
3) 半导体开关器件与散热系统。输出电路采用双向可控硅和散热铝板构成。
4) 产品型号及约定发热电流: GTJ2-1~8A.
5) 额定工作电压: 24~240VAC .
6) 额定工作电流: 1~8A
7) 框架绝缘材料名称及编号:PBT201G30-202
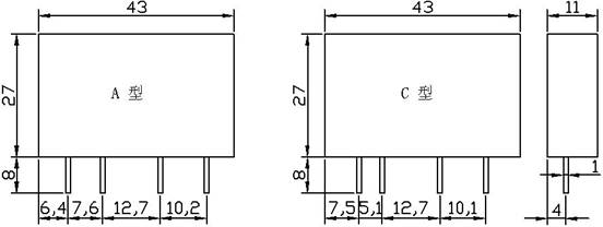
8) 外形尺寸: 长×宽×高 43×11×27mm (不含引脚长度)
二、产品型号:
GTJ2-1~8A


三、 固态继电器参数
输入参数 (Input data)
(1) 输入控制电压(Input control voltage): 3~32VDC
(2) 输入关断电压(Input off voltage): 1VDC
(3) 输入开启电流(Input on voltage): 5mA
(4) 输入控制电流(Input control current): <25 mA
输出参数 (Output data)
(1) 额定工作电流(Rated operational current): 1~8A
(2) 额定工作电压 (Rated operational voltage) : 24-240VAC
(3) 通态压降(UON): ≤1.3VAC
(4) 断态漏电流(IOFF): < 10mA
(5) 频率(f): 50/60Hz
(6) 工作温度范围(Topr): -30~+80℃
四、 固态继电器电路应用图

五、注意事项
根据负载性质及负载额定电流固态继电器最大输出电流参考值,进行如下选取:
1、 阻性负载:固态继电器最大输出电流应为负载额定电流的2倍以上。
2、 感性负载:固态继电器最大输出电流应为负载额定电流的3倍以上。
3、 若负载电流变动较大,选取固态继电器时,电流倍数适当增加。
4、 保证整个运行过程中,负载实际工作电流不能超过固态继电器的额定电流。
5、 为了防止负载短路导致固态继电器损坏,建议在负载回路中串入快熔丝。
6、 使用环境温度为-30℃~+80℃.
六、温度曲线图

七、外形尺寸图

点击下载

