GTJ8系列PCB引脚式小型稳压直流固态继电器
一、 产品概述
产品构成的描述及结构特点(结构概要说明):
本产品由接线系统,电子控制系统,半导体开关器件系统,绝缘系统四部分组成。
(1)接线系统,由直流控制电压输入引脚,稳压直流电压输出引脚构成。
(2)电子控制系统由输入控制电路,光电耦合与电隔离电路构成。
(3)半导体开关器件与散热系统由晶体三极管和散热铝板构成。
(4)绝缘系统由环氧树脂,PBT外壳构成。
(5)产品型号及约定发热电流: GTJ8-1~8A
(6)框架绝缘材料名称及编号: PBT201G30-202
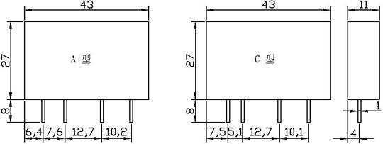
(7)外形尺寸: 长×宽×高 43×11×27mm(不含引脚长度)
二、产品型号
GTJ8-1~8A


三、主要技术参数
输入参数 (Input data)
(1)输入控制电压(Input control voltage): 3~32VDC
(2)输入关断电压(Input off voltage): 1VDC
(3)输入开启电流(Input on voltage): 5mA
(4)输入控制电流(Input control current): <25 mA 输出参数 (Output data)
(1)额定工作电流(Rated operational current): 1~8A
(2)额定工作电压 (Rated operational voltage) : 12-210VDC(随着额定工作电压的上 升,额定工作电流随之下降)
(3)通态压降(UON): ≤1.3VDC
(4)断态漏电流(IOFF): < 5mA
(5)工作温度范围(Topr): -30~+80℃
四、产品主要应用图

五、注意事项
根据负载性质及负载额定电流固态继电器最大输出电流参考值,进行如下选取:
(1)阻性负载:固态继电器最大输出电流应为负载额定电流的2倍以上。
(2)感性负载:固态继电器最大输出电流应为负载额定电流的3倍以上。
(3)其他负载若电流变动较大,选取固态继电器时,电流倍数适当增加。
(4)保证整个运行过程中,负载实际工作电流不能超过固态继电器的额定电流。
(5)为了防止负载回路出现短路,客户在使用时必须在固态继电器负载回路中安装保险丝。
六、外形尺寸图

点击下载:
GTJ8系列PCB引脚式小型稳压直流固态继电器规格书.pdf

