GTJ24系列PCB引脚式超小型交流固态继电器
一、 产品概述
产品构成的描述及结构特点(结构概要说明):
本产品由接线系统,电子控制系统,半导体开关器件系统,绝缘系统四部分组成。
1) 接线系统,由直流控制电压输入引脚,工频交流电压的电压输出引脚构成。
2) 电子控制系统由输入控制电路,光电耦合与电隔离电路构成。
3) 半导体开关器件由双向可控硅组成。
4) 绝缘系统由环氧树脂,PBT外壳构成。
5) 产品型号及约定发热电流: GTJ24-1~3A
6)框架绝缘材料名称及编号:PBT201G30-202
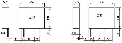
7)外形尺寸: 长×宽×高 24×6.5×20mm(不含引脚长度)
二、产品型号
GTJ24-1~3A

三、 固态继电器参数
输入参数 (Input data)
(1) 输入控制电压(Input control voltage): 3~14VDC
(2) 输入关断电压(Input off voltage): 1VDC
(3) 输入阻抗(Input impedance)约: 680Ω
(4) 输入开启电流(Input on voltage): 5mA
(5) 输入控制电流(Input control current): <35 mA
输出参数 (Output data)
(1) 额定工作电流(Rated operational current): 1~3A
(2) 额定工作电压 (Rated operational voltage) : 24-240VAC
(3) 通态压降(UON): ≤1.3VAC
(4) 断态漏电流(IOFF): < 5mA
(5) 频率(f): 50/60Hz
(6) 工作温度范围(Topr): -30~+80℃
四、 固态继电器电路应用图

五、注意事项
根据负载性质及负载额定电流固态继电器最大输出电流参考值,进行如下选取:
1、 阻性负载:固态继电器最大输出电流应为负载额定电流的2倍以上。
2、 感性负载:固态继电器最大输出电流应为负载额定电流的3倍以上。
3、 若负载电流变动较大,选取固态继电器时,电流倍数适当增加。
4、 保证整个运行过程中,负载实际工作电流不能超过固态继电器的额定电流。
5、 为了防止负载回路出现短路,客户在使用时必须在固态继电器负载回路中安装保险丝。
六、外观尺寸图

点击下载:
GTJ24系列PCB引脚式超小型交流固态继电器规格书.pdf

